线控制动系统(Brake-by-Wire,简称BBW)是传统液压制动系统的电子化升级,通过电子信号而非传统液压或机械方式控制制动系统,实现更精确的制动力分配、更快的响应速度和更智能的制动策略(如自动紧急制动AEB、自适应巡航ACC等)。
线控制动系统依赖高精度的传感器数据(如轮速、制动踏板位置、液压压力等),在线控制动系统中,AK协议轮速传感器是实现精准制动控制的核心部件之一。
01 AK协议整体介绍
AK协议是一种轮速传感器(WSS)和电子控制单元(ECU)的标准接口,用于数据信号的传输。传感器产生的信号经过信号调制单元处理,产生速度信号和数据信号。 在线控制动中 直接通过电子信号控制制动压力,替代传统液压系统。
如何测量AK信号:

AK信号是通过改变电流的大小来传输数据,电流分为三级。所以只需要测量电流的大小即可,一般情况下,需要准备一台示波器+一个电流钳即可。
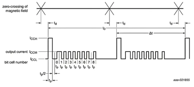
AK帧结构:

一帧AK信号包含速度脉冲(speed pulse)和数据协议位(data protocol bits),对应着速度信号和数据信号。
每一个速度脉冲表示传感器过一次齿,根据相邻两个速度脉冲的时间间隔(齿间隙)可以算出轮速。
数据协议位表示其他附加信息,比如旋转方向、场幅度(field amplitude)等内容。
02 AK协议在线控制动中的应用

在线控制动系统开发中,AK协议传感器的模拟用于:
轮速数据模拟传输
模拟真实工况:在开发过程中,通过模拟AK协议传感器,能够产生模拟的轮速信号,从而算出轮速。
提供多种输入场景:可以模拟不同的车速、转向方向以及传感器故障等情况,从而全面测试在线控制动系统的性能和可靠性。
制动控制策略验证
ABS防抱死控制测试:通过模拟AK协议传感器,ECU可以根据接收到的模拟轮速信号,计算出每个车轮的角加速度和滑移率,从而提高车辆的制动稳定性和操控性。
ESP电子稳定程序验证:模拟AK协议传感器提供的轮速数据,可以让ESP系统进行准确的计算和判断,及时调整各个车轮的制动力,以恢复车辆的稳定性,确保行车安全。
TCS牵引力控制测试:模拟AK协议传感器传输的轮速数据,可以让ECU及时检测到驱动轮的打滑情况,并通过降低驱动轮的驱动力或对打滑车轮进行制动,使车辆保持稳定的行驶状态
系统集成与调试
传感器与ECU匹配测试:通过模拟AK协议传感器,可以模拟不同型号、不同规格的传感器与ECU之间的通信,检查两者之间的兼容性和数据传输的准确性。
控制算法验证:模拟AK协议传感器可以提供各种不同的输入数据,用于验证控制算法的正确性和有效性,对控制算法进行优化和调整,以提高系统的性能
故障诊断与安全机制测试
故障诊断测试:模拟传感器可以模拟出各种故障信号,通过对这些故障信号的模拟和分析,可以测试ECU的故障诊断能力。
安全机制验证:通过模拟AK协议传感器,可以对这些安全机制进行测试,确保在制动系统中,关键控制指令的安全性和可靠性。
03 总结
AK轮速传感器可以很好的协助线控制动系统的开发,其模拟与解析是线控制动系统开发的核心环节,涉及:
信号模拟:硬件(函数发生器/单片机)或软件生成轮速数据。
数据解析:根据协议帧结构提取转速、方向等信息。
测试验证:通过硬件/软件工具覆盖正常/故障场景,确保系统可靠性。
若想了解更多产品信息,欢迎联系contact@lpai-tech.com。